JR Merritt

Analog

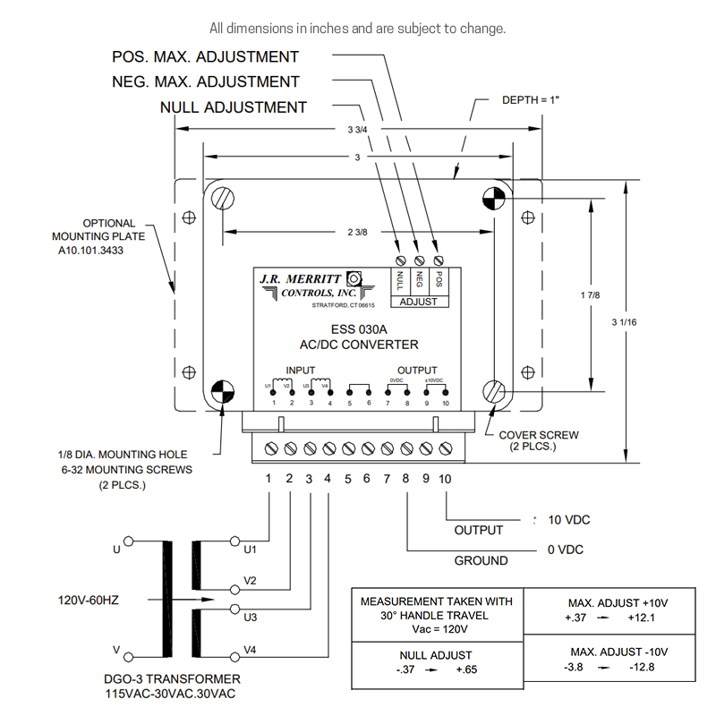
ESS 030 AC/DC Converter

AC/DC converter with offset and full output adjustments. For use with the DGO-3 rotary inductive transformer.

Overview

ESS 030 is an AC/DC converter designed specifically for use with DGO rotary inductive transformers. The AC signal is converted to a DC reference signal that commands a variable speed drive. Offset and independent full output adjustments allow the user to adjust the drive speed as desired.

Compatible Joysticks

Specifications

Electrical Data

Input

30 VAC terminals 1 and 2

30 VAC terminals 3 and 4

Output

(+/-) 10VDC

Adjustments

null offset

Voltage Limit Plus

(+) 3 VDC (+) 11 VDC

Voltage Limit Minus

(-) 3 VDC (-) 11 VDC

Wattage

5

Technical Drawings

Dimensional

Need help choosing the right controls for your application?
Connect with us